번호 검색 :0 저자 :Yingying Zhou 게시: 2018-08-07 원산지 :강화 된
그만큼 단일 행 4 포인트 콘택트 볼 슬리핑 링 두 개의 항해로 구성되어 있습니다. It는 디자인이 작고 무게가 빛나고, 공은 4 지점에서 원형 경마장과의 접촉을 통해 축력, 방사성 힘 및 결과 모멘트가 동시에 태어날 수 있습니다. , 용접 작동 콘솔, 조명, 중간 듀티 크레인, 굴삭기 및 기타 엔지니어링 기계.
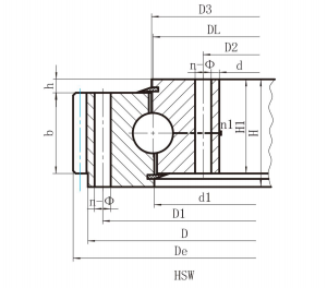
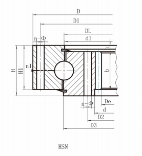
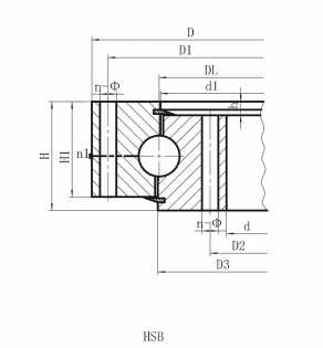
HS 시리즈 사전 엔지니어링, 조명 프로파일 슬리핑 링은 직사각형 단면을 특징으로하며, 이는 대체 홀 패턴, 개선 된 강성 및 더 많은 용량의 가능성을 허용하는 직사각형 단면을 특징으로합니다. 크레인, 공중 리프트, 파는 사람 데릭, 슈트 스위이, 리프트 트럭 회전기 및 산업용 턴테이블에 이상적입니다.


HS 시리즈는 동일한 피니언, 기어 및 레이스 코어 경도를 공유합니다. 그러나 HS Sleewing 링은 RK 시리즈보다 추가 용량, 강성 및 움직임이 줄어든 간극 및 직사각형 섹션을 특징으로합니다. HS Sleewing 링 베어링 표준 단면과 함께 20 "~ 47 "(500mm ~ 1,200mm) OD의 크기입니다. 구성에는 비 게어 및 내부 기어 (외경의 피팅 포함) 및 외부 기어 (내 직경의 피팅)가 포함됩니다. 기어는 20 ° 압력 각도의 involute 스터브 설계이며, AGMA 클래스 Q5 및 .015 "에서 .025 "백래시 허용량으로 제조됩니다.
HS Sleewing 링 베어링은 180 ° 간격으로 윤활제를위한 2 개의 피팅을 특징으로합니다. 기어드 레이스는 구멍을 뚫고, 비 기어가없는 레이스에는 구멍이 있습니다. 모두 오염을 방지하도록 설계된 필수 씰이 있습니다.
XZWD 엔지니어는 자신의 경험과 전문 지식을 적용하여 가장 독특한 베어링 문제를 해결하기위한 다양한 솔루션을 만들어 XZWD가 크레인 베어링의 주요 공급 업체를 만듭니다.
내용이 비어 있습니다!
