011.45.1600
XZWD
8482800000
볼은 원형 경주에서 4 점에서 구르므로 축 방향 힘, 방사형 힘 및 팁 모멘트를 동시에 수행 할 수 있습니다. 컨베이어, 용접 작동 기계, 작은 크레인, 중소형 굴삭기 등.
4 점 접촉 크레인의 볼 슬링 링 응용 프로그램은 중요한 부하 중 하나입니다. 크레인의 부품 지원. 그것은 Slewing 테이블 용접과 연결되어 있습니다 복잡한 구조와 하중. 도구로 유한 요소 방법을 사용하여 a 유한 요소 계산 모델은 4 개의 포인트 슬링에 대해 설정됩니다. 트럭 크레인의 고리 및 구조 강도 및 강성 분석은 다음과 같습니다. 그것에 대해 실시되었습니다.
우리 제조의 품질과 정밀도는 크레인의 많은 해체 작업 후에 좋은 운영을 보장하는 열쇠입니다. 다양한 유형의 크레인 응용 프로그램을 제공 할 수 있습니다. 우리의 슬루 베어링은 선박 로더가 다양한 상품을로드하고 부하 할 수 있도록 공급됩니다. 선박 크레인, 항구 크레인, 해양 크레인, 포털 크레인 등에 널리 사용됩니다.
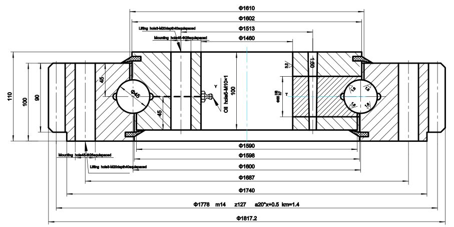
아래 에서이 모델의 자세한 차원을 찾으십시오.
질문이나 문의 사항은 당사에 문의하십시오.
볼은 원형 경주에서 4 점에서 구르므로 축 방향 힘, 방사형 힘 및 팁 모멘트를 동시에 수행 할 수 있습니다. 컨베이어, 용접 작동 기계, 작은 크레인, 중소형 굴삭기 등.
4 점 접촉 크레인의 볼 슬링 링 응용 프로그램은 중요한 부하 중 하나입니다. 크레인의 부품 지원. 그것은 Slewing 테이블 용접과 연결되어 있습니다 복잡한 구조와 하중. 도구로 유한 요소 방법을 사용하여 a 유한 요소 계산 모델은 4 개의 포인트 슬링에 대해 설정됩니다. 트럭 크레인의 고리 및 구조 강도 및 강성 분석은 다음과 같습니다. 그것에 대해 실시되었습니다.
우리 제조의 품질과 정밀도는 크레인의 많은 해체 작업 후에 좋은 운영을 보장하는 열쇠입니다. 다양한 유형의 크레인 응용 프로그램을 제공 할 수 있습니다. 우리의 슬루 베어링은 선박 로더가 다양한 상품을로드하고 부하 할 수 있도록 공급됩니다. 선박 크레인, 항구 크레인, 해양 크레인, 포털 크레인 등에 널리 사용됩니다.
아래 에서이 모델의 자세한 차원을 찾으십시오.
질문이나 문의 사항은 당사에 문의하십시오.
