011.40.1000F
XZWD
A 주차 시스템 주차 용량을 내부에 곱한 기계 장치입니다. 주차장. 주차 시스템은 일반적으로 구동됩니다 전기 모터 또는 유압 펌프 그것은 차량을 저장 위치로 옮깁니다.
주차 시스템은 전통적이거나 자동화 될 수 있습니다. 자동 다중 층 자동 주차장 시스템은 주차 슬롯 당 저렴합니다. 동일한 용량을 가진 기존 시설보다 건물량이 적고지면 영역이 적은 경향이 있기 때문입니다. 장기적으로 자동 주차 시스템은 기존 주차장보다 비용 효율적 일 수 있습니다. 자동 주차 시스템과 자동 주차 차고 시스템이 감소합니다. 배기 가스 - 자동차는 주차 공간을 찾아 운전하지 않습니다.
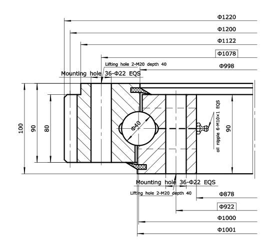
단일 행 4 포인트 접촉 공 슬리칭 링은 약 1 미터의 외경이있는 주차장 시스템에서 널리 사용됩니다. 그리고 그것은 일반적으로 외부 기어 또는 내부 기어가 있습니다.
문의 사항은 당사에 문의하십시오.
A 주차 시스템 주차 용량을 내부에 곱한 기계 장치입니다. 주차장. 주차 시스템은 일반적으로 구동됩니다 전기 모터 또는 유압 펌프 그것은 차량을 저장 위치로 옮깁니다.
주차 시스템은 전통적이거나 자동화 될 수 있습니다. 자동 다중 층 자동 주차장 시스템은 주차 슬롯 당 저렴합니다. 동일한 용량을 가진 기존 시설보다 건물량이 적고지면 영역이 적은 경향이 있기 때문입니다. 장기적으로 자동 주차 시스템은 기존 주차장보다 비용 효율적 일 수 있습니다. 자동 주차 시스템과 자동 주차 차고 시스템이 감소합니다. 배기 가스 - 자동차는 주차 공간을 찾아 운전하지 않습니다.
단일 행 4 포인트 접촉 공 슬리칭 링은 약 1 미터의 외경이있는 주차장 시스템에서 널리 사용됩니다. 그리고 그것은 일반적으로 외부 기어 또는 내부 기어가 있습니다.
문의 사항은 당사에 문의하십시오.
