그만큼 Slewing 운전하다 ~이다 a 변속 장치 저것 ~할 수 있다 안전하게 잡고 있다 방사형 그리고 축 방향 잔뜩, 같이 잘 같이 부치다 a 토크 ~을 위한 회전. 그만큼 rotation ~할 수 있다 ~이다 안에 a 하나의 중심선, 또는 안에 다수의 축 함께.
Slewing 운전 ~이다 만들어진 ~에 의해 조작 기어링, 문장, 물개, 주택, 모터 그리고 다른 보조자 구성 요소 그리고 조립 그들을 ~ 안으로 a 완성된 변속 장치.
소개:
Sleewing Bearing을 핵심 구성 요소로 채택함으로써 Slewing Drive Can 축 방향 힘, 방사성 힘 및 기울기 모멘트를 동시에 곰. Sleewing Drive는 모든 유형의 모듈 식 트레일러에 널리 적용됩니다. 크레인, 공중 작업 플랫폼, 태양 추적 시스템 및 풍력 발전 시스템.
전기 및 행성 기어 박스는 다음에 따라 설계 될 수 있습니다 고객의 요구 사항. Sleewing Drive는 저축에 이점이 있습니다 시설의 공간, 소형 설계의 최대 부하 용량, 광범위한 수명 및 유지 보수 비용 감소.
용어 사전
1) 틸팅 모멘트 토크 : 토크는 하중에 거리를 곱한 것입니다. 하중 위치와 슬리핑 베어링의 중심 사이. 만약 하중 및 거리에 의해 생성 된 토크는 정격 틸팅보다 큽니다. 모멘트 토크, Sleewing Drive가 전복됩니다.
2) 방사형 하중 : Slewing 베어링의 축에 수직을로드
3) 축 하중 : Slewing 베어링 축에 평행 한 하중
4) 토크 유지 : 역 토크입니다. 드라이브가 반대로 회전하고 부품이 손상되지 않으면
5) 달성 된 최대 토크를 보유 토크라고합니다.
6) 자체 잠금 :로드 된 경우에만 Sleewing 드라이브는 반전 회전 할 수 없어서 자체 잠금이라고합니다.
-고객은 이미 설계된 Sleewing Drive Connect Dimension에 따라 모터를 선택할 수 있습니다.
-고객의 모터 연결 차원에 따라 연결 구조를 설계 할 수 있습니다.
-우리는 전체 부품에 유압 모터, DC 모터, AC 모터, 스테퍼 또는 서보 모터를 제공하는 데 도움이 될 수 있습니다.
Wea Series Sleewing Drive, Slew Drive는 새로운 Sleewing 시리즈입니다. Sleewing Reducer라고도합니다. 일반적으로 벌레로 구성되어 있습니다. 슬루핑 베어링, 하우징, 모터 어댑터, 엔드 캡 및 기타 구성 요소. Sleewing Bearing을 핵심 구성 요소로 채택함으로써 Slewing Drive Can 축 방향 힘, 방사성 힘 및 기울기 모멘트를 동시에 곰. SE Series Sleewing Drive와 비교하여 WEA 시리즈에는 이점이 있습니다. 더 나은 보호 성능, 훌륭합니다 전염 토크, 더 나은 충격 저항과 긴 근무 생활.
WEA 시리즈 Sleewing Drive는 비교적 로터리에 널리 적용됩니다. 기계 및 태양 에너지 장의 일부. 태양 추적 시스템 회전 공중 작업 기계 트럭 크레인 록 드릴의 섀시, 드릴링 기계를 파악하는 목재 기계, 코드 성형기.

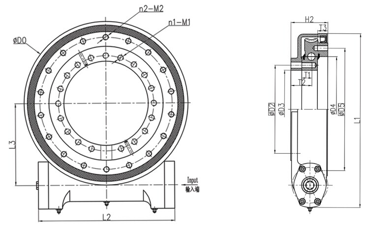
모델 | 외부 치수 | 설치 치수 | 홀 데이터 장착 | |||||||||||||
| pdf.format | L1 | L2 | L3 | H2 | D0 | D2 | D3 | D4 | D5 | N1 | M1 | T1 | T2 | n2 | M2 | T3 |
mm | 내부 링 | 외부 링 | ||||||||||||||
424 | 330 | 180 | 108 | 360 | 175 | 146 | 222.5 | 270 | 15 | M16 | 30 | 62 | 16 | M16 | 30 | |
509 | 370 | 222.5 | 108 | 445 | 259 | 229 | 310 | 358 | 19 | M16 | 30 | 62 | 18 | M16 | 30 | |
544 | 380 | 240 | 108 | 480 | 295 | 265 | 342 | 390 | 23 | M16 | 30 | 56 | 18 | M16 | 30 | |
534 | 405 | 285 | 108 | 570 | 365.1 | 332 | 430 | 479.4 | 20 | M16 | 32 | 62 | 20 | M16 | 32 | |
762 | 483 | 350 | 130 | 693 | 466.7 | 425 | 540 | 574.2 | 35 | M20 | 40 | 70 | 36 | M20 | 40 | |
861 | 513 | 399 | 130 | 793 | 565 | 525 | 630 | 675 | 35 | M20 | 40 | 70 | 36 | M20 | 40 | |
모델 | 우리의 토크를 평가했습니다 kn.m | 틸팅 모멘트 토크 kn.m | 정적 축하 kn | 정적 방사형 하중 kn | 동적 축로드 kn | 56dynamic 방사형 하중 kn | 토크 고정 kn.m | 기어 라디오 | 출력 속도 RPM | 자체 잠금 기어 | 무게 킬로그램 |
wea9 | 8 | 33.9 | 550 | 205 | 130 | 110 | 38.7 | 62 : 1 | <3 | 예 | 53kg |
WEA12 | 9.5 | 54.3 | 725 | 270 | 180 | 140 | 43 | 79 : 1 | <3 | 예 | 66.8kg |
WEA14 | 10.8 | 67.8 | 920 | 343 | 220 | 190 | 48 | 86 : 1 | <3 | 예 | 75kg |
WEA17 | 12.96 | 135.6 | 1110 | 414 | 268 | 220 | 72.3 | 104 : 1 | <2 | 예 | 96kg |
WEA21 | 28.7 | 203 | 1595 | 596 | 340 | 270 | 105.8 | 90 : 1 | <1.5 | 예 | 172kg |
WEA25 | 34.2 | 310 | 1850 | 690 | 440 | 320 | 158.3 | 104 : 1 | <1.5 | 예 | 202kg |
에워싸는 주택 Sleewing Drive, Slew Drive는 주로 비교적 높은 곳에 적용됩니다. 먼지 방지, 빗방울 및 Aniti-corrosion 행사. 정밀 등급 IP65.
메모
1. 변위 모터 (AC, DC, 유압)는 고객의 요구 사항에 따라 설계 할 수 있습니다.
2. 모터와 반대되는 샤프트는 16 진수 또는 16 진수로 선택할 수 있습니다.
그만큼 Slewing 운전하다 ~이다 a 현대화 가져가다 에 그만큼 벌레 운전하다 기구 저것 날짜 뒤쪽에 많은 세기 그리고 였다 넓게 사용된 ~ 동안 그만큼 르네상스 연대. 갓털 ~의 알렉산드리아 (세 번째 세기 기원 후),
a 그리스 어 수학자 ~이다 신용 ~을 위한 an 일찍 버전 ~의 그만큼 끝이 없습니다 나사, 어느 ~일 것이다 나중에 진화합니다 ~ 안으로 그만큼 벌레 드라이브 기구 였다 또한 사용된 ~에 의해 레오나르도 다 Vinci 같이 a 요소 안에 많은
~의 그의 디자인 ~을 위한 machines.it ~할 수 있다 또한 ~이다 found 안에 그만큼 노트북 ~의 프란체스코 DI 조르지오 ~의 시에나 Slewing 운전하다 개념 found 돌기 ~와 함께 그만큼 출현 ~의 더 큰 규모 건설 그리고
공학 안에 그만큼 키 ~의 그만큼 그리스 어 그리고 로마 인 제국.
전통적인 벌레 기어 ~와 함께 a 4 시작 벌레.
Slewing 운전 기능 ~와 함께 기준 벌레 기술, 안에 어느 그만큼 벌레 에 그만큼 수평의 샤프트 행동 같이 그만큼 운전사 ~을 위한 그만큼 기어. 그만큼 rotation ~의 그만큼 수평의 나사 회전 a 기어 ~에 대한 an 중심선 수직 에게 그만큼 나사 중심선.
이것 콤비네이션 감소합니다 그만큼 속도 ~의 그만큼 driven 회원 그리고 또한 곱합니다 그것의 토크; 증가 그것 비례 적으로 같이 그만큼 속도 감소 속도 비율 ~의 샤프트 의존합니다 ...에 그만큼 관계 ~의 그만큼 숫자 ~의
스레드 에 그만큼 벌레 에게 그만큼 숫자 ~의 이 안에 그만큼 벌레 바퀴 또는 기어.
같이 기술 가지다 향상, 더 Slewing 운전 ~이다 사용 모래 시계 벌레 기술, 안에 어느 그만큼 벌레 ~이다 모양 에게 관계를 맺다 더 이 안에 그만큼 기어 증가 이빨 약혼 결과 안에 greater
힘, 능률 그리고 내구성.
왜냐하면 ~의 그들의 다수의 용도, Slewing 운전 오다 안에 a 다양성 ~의 모델 크기 성능 범위 그리고 설치 형질.
그만큼 운전 ~이다 잘 어울려 ~을 위한 응용 프로그램 저것 필요하다 둘 다 짐 보유 그리고 회전 토크 ~에서 그만큼 같은 기어 상자.
They ~할 수 있다 또한 ~이다 만들어진 ~와 함께 이중 축 ~의 회전, (선회 축 ~에 그만큼 같은 시각) 또는 ~와 함께 이중 운전 에 그만큼 같은 중심선, (둘 벌레 스레드 운전 그만큼 같은 반지 기어 안에 하나 중심선).
그만큼 명세서 ~을 위한 운전 그리고 기어 다양합니다 에 따라 에 그만큼 재료 그만큼 기어 ~이다 구성 의. 하지만, a 다수 ~의 그만큼 운전 그리고 기어 천하게 사용된 ~이다 구성 ~의 강철 그리고 인광 물질 청동.
에 따라 에게 an 광범위합니다 시리즈 ~의 테스트 ~에 의해 그만큼 해밀턴 기어 & 기계 공동, 냉기 니켈-인산 청동 순위 첫 번째 안에 저항 에게 입다 그리고 흉한 모습. 숫자 둘 에 그만큼 목록 였다 SAE 아니. 65 청동 청동 기어 a 좋은 주조 ~해야 한다 가지다 그만큼 수행원 최저한의 물리적 인 형질:
거기 ~이다 많은 응용 프로그램 안에 어느 그만큼 Slewing 운전하다 ~할 수 있다 ~이다 활용, 주로 왜냐하면 그것 ~이다 완벽한 ~을 위한 응용 프로그램 저것 필요하다 둘 다 부하 보유 힘 그리고 회전 토크 힘.
전형적인 Slewing 운전하다 응용 프로그램 포함 하지만 ~이다 ~ 아니다 제한된 to : Solar 트래커, 바람 터빈, 남자 리프트, 유압 기계, 텔레스코픽 핸들러, 파는 사람 데릭, 리프트, 크레인, 교련 장비, 군대 장비
그만큼 Slewing 운전하다 ~이다 a 변속 장치 저것 ~할 수 있다 안전하게 잡고 있다 방사형 그리고 축 방향 잔뜩, 같이 잘 같이 부치다 a 토크 ~을 위한 회전. 그만큼 rotation ~할 수 있다 ~이다 안에 a 하나의 중심선, 또는 안에 다수의 축 함께.
Slewing 운전 ~이다 만들어진 ~에 의해 조작 기어링, 문장, 물개, 주택, 모터 그리고 다른 보조자 구성 요소 그리고 조립 그들을 ~ 안으로 a 완성된 변속 장치.
소개:
Sleewing Bearing을 핵심 구성 요소로 채택함으로써 Slewing Drive Can 축 방향 힘, 방사성 힘 및 기울기 모멘트를 동시에 곰. Sleewing Drive는 모든 유형의 모듈 식 트레일러에 널리 적용됩니다. 크레인, 공중 작업 플랫폼, 태양 추적 시스템 및 풍력 발전 시스템.
전기 및 행성 기어 박스는 다음에 따라 설계 될 수 있습니다 고객의 요구 사항. Sleewing Drive는 저축에 이점이 있습니다 시설의 공간, 소형 설계의 최대 부하 용량, 광범위한 수명 및 유지 보수 비용 감소.
용어 사전
1) 틸팅 모멘트 토크 : 토크는 하중에 거리를 곱한 것입니다. 하중 위치와 슬리핑 베어링의 중심 사이. 만약 하중 및 거리에 의해 생성 된 토크는 정격 틸팅보다 큽니다. 모멘트 토크, Sleewing Drive가 전복됩니다.
2) 방사형 하중 : Slewing 베어링의 축에 수직을로드
3) 축 하중 : Slewing 베어링 축에 평행 한 하중
4) 토크 유지 : 역 토크입니다. 드라이브가 반대로 회전하고 부품이 손상되지 않으면
5) 달성 된 최대 토크를 보유 토크라고합니다.
6) 자체 잠금 :로드 된 경우에만 Sleewing 드라이브는 반전 회전 할 수 없어서 자체 잠금이라고합니다.
-고객은 이미 설계된 Sleewing Drive Connect Dimension에 따라 모터를 선택할 수 있습니다.
-고객의 모터 연결 차원에 따라 연결 구조를 설계 할 수 있습니다.
-우리는 전체 부품에 유압 모터, DC 모터, AC 모터, 스테퍼 또는 서보 모터를 제공하는 데 도움이 될 수 있습니다.
Wea Series Sleewing Drive, Slew Drive는 새로운 Sleewing 시리즈입니다. Sleewing Reducer라고도합니다. 일반적으로 벌레로 구성되어 있습니다. 슬루핑 베어링, 하우징, 모터 어댑터, 엔드 캡 및 기타 구성 요소. Sleewing Bearing을 핵심 구성 요소로 채택함으로써 Slewing Drive Can 축 방향 힘, 방사성 힘 및 기울기 모멘트를 동시에 곰. SE Series Sleewing Drive와 비교하여 WEA 시리즈에는 이점이 있습니다. 더 나은 보호 성능, 훌륭합니다 전염 토크, 더 나은 충격 저항과 긴 근무 생활.
WEA 시리즈 Sleewing Drive는 비교적 로터리에 널리 적용됩니다. 기계 및 태양 에너지 장의 일부. 태양 추적 시스템 회전 공중 작업 기계 트럭 크레인 록 드릴의 섀시, 드릴링 기계를 파악하는 목재 기계, 코드 성형기.

모델 | 외부 치수 | 설치 치수 | 홀 데이터 장착 | |||||||||||||
| pdf.format | L1 | L2 | L3 | H2 | D0 | D2 | D3 | D4 | D5 | N1 | M1 | T1 | T2 | n2 | M2 | T3 |
mm | 내부 링 | 외부 링 | ||||||||||||||
424 | 330 | 180 | 108 | 360 | 175 | 146 | 222.5 | 270 | 15 | M16 | 30 | 62 | 16 | M16 | 30 | |
509 | 370 | 222.5 | 108 | 445 | 259 | 229 | 310 | 358 | 19 | M16 | 30 | 62 | 18 | M16 | 30 | |
544 | 380 | 240 | 108 | 480 | 295 | 265 | 342 | 390 | 23 | M16 | 30 | 56 | 18 | M16 | 30 | |
534 | 405 | 285 | 108 | 570 | 365.1 | 332 | 430 | 479.4 | 20 | M16 | 32 | 62 | 20 | M16 | 32 | |
762 | 483 | 350 | 130 | 693 | 466.7 | 425 | 540 | 574.2 | 35 | M20 | 40 | 70 | 36 | M20 | 40 | |
861 | 513 | 399 | 130 | 793 | 565 | 525 | 630 | 675 | 35 | M20 | 40 | 70 | 36 | M20 | 40 | |
모델 | 우리의 토크를 평가했습니다 kn.m | 틸팅 모멘트 토크 kn.m | 정적 축하 kn | 정적 방사형 하중 kn | 동적 축로드 kn | 56dynamic 방사형 하중 kn | 토크 고정 kn.m | 기어 라디오 | 출력 속도 RPM | 자체 잠금 기어 | 무게 킬로그램 |
wea9 | 8 | 33.9 | 550 | 205 | 130 | 110 | 38.7 | 62 : 1 | <3 | 예 | 53kg |
WEA12 | 9.5 | 54.3 | 725 | 270 | 180 | 140 | 43 | 79 : 1 | <3 | 예 | 66.8kg |
WEA14 | 10.8 | 67.8 | 920 | 343 | 220 | 190 | 48 | 86 : 1 | <3 | 예 | 75kg |
WEA17 | 12.96 | 135.6 | 1110 | 414 | 268 | 220 | 72.3 | 104 : 1 | <2 | 예 | 96kg |
WEA21 | 28.7 | 203 | 1595 | 596 | 340 | 270 | 105.8 | 90 : 1 | <1.5 | 예 | 172kg |
WEA25 | 34.2 | 310 | 1850 | 690 | 440 | 320 | 158.3 | 104 : 1 | <1.5 | 예 | 202kg |
에워싸는 주택 Sleewing Drive, Slew Drive는 주로 비교적 높은 곳에 적용됩니다. 먼지 방지, 빗방울 및 Aniti-corrosion 행사. 정밀 등급 IP65.
메모
1. 변위 모터 (AC, DC, 유압)는 고객의 요구 사항에 따라 설계 할 수 있습니다.
2. 모터와 반대되는 샤프트는 16 진수 또는 16 진수로 선택할 수 있습니다.
그만큼 Slewing 운전하다 ~이다 a 현대화 가져가다 에 그만큼 벌레 운전하다 기구 저것 날짜 뒤쪽에 많은 세기 그리고 였다 넓게 사용된 ~ 동안 그만큼 르네상스 연대. 갓털 ~의 알렉산드리아 (세 번째 세기 기원 후),
a 그리스 어 수학자 ~이다 신용 ~을 위한 an 일찍 버전 ~의 그만큼 끝이 없습니다 나사, 어느 ~일 것이다 나중에 진화합니다 ~ 안으로 그만큼 벌레 드라이브 기구 였다 또한 사용된 ~에 의해 레오나르도 다 Vinci 같이 a 요소 안에 많은
~의 그의 디자인 ~을 위한 machines.it ~할 수 있다 또한 ~이다 found 안에 그만큼 노트북 ~의 프란체스코 DI 조르지오 ~의 시에나 Slewing 운전하다 개념 found 돌기 ~와 함께 그만큼 출현 ~의 더 큰 규모 건설 그리고
공학 안에 그만큼 키 ~의 그만큼 그리스 어 그리고 로마 인 제국.
전통적인 벌레 기어 ~와 함께 a 4 시작 벌레.
Slewing 운전 기능 ~와 함께 기준 벌레 기술, 안에 어느 그만큼 벌레 에 그만큼 수평의 샤프트 행동 같이 그만큼 운전사 ~을 위한 그만큼 기어. 그만큼 rotation ~의 그만큼 수평의 나사 회전 a 기어 ~에 대한 an 중심선 수직 에게 그만큼 나사 중심선.
이것 콤비네이션 감소합니다 그만큼 속도 ~의 그만큼 driven 회원 그리고 또한 곱합니다 그것의 토크; 증가 그것 비례 적으로 같이 그만큼 속도 감소 속도 비율 ~의 샤프트 의존합니다 ...에 그만큼 관계 ~의 그만큼 숫자 ~의
스레드 에 그만큼 벌레 에게 그만큼 숫자 ~의 이 안에 그만큼 벌레 바퀴 또는 기어.
같이 기술 가지다 향상, 더 Slewing 운전 ~이다 사용 모래 시계 벌레 기술, 안에 어느 그만큼 벌레 ~이다 모양 에게 관계를 맺다 더 이 안에 그만큼 기어 증가 이빨 약혼 결과 안에 greater
힘, 능률 그리고 내구성.
왜냐하면 ~의 그들의 다수의 용도, Slewing 운전 오다 안에 a 다양성 ~의 모델 크기 성능 범위 그리고 설치 형질.
그만큼 운전 ~이다 잘 어울려 ~을 위한 응용 프로그램 저것 필요하다 둘 다 짐 보유 그리고 회전 토크 ~에서 그만큼 같은 기어 상자.
They ~할 수 있다 또한 ~이다 만들어진 ~와 함께 이중 축 ~의 회전, (선회 축 ~에 그만큼 같은 시각) 또는 ~와 함께 이중 운전 에 그만큼 같은 중심선, (둘 벌레 스레드 운전 그만큼 같은 반지 기어 안에 하나 중심선).
그만큼 명세서 ~을 위한 운전 그리고 기어 다양합니다 에 따라 에 그만큼 재료 그만큼 기어 ~이다 구성 의. 하지만, a 다수 ~의 그만큼 운전 그리고 기어 천하게 사용된 ~이다 구성 ~의 강철 그리고 인광 물질 청동.
에 따라 에게 an 광범위합니다 시리즈 ~의 테스트 ~에 의해 그만큼 해밀턴 기어 & 기계 공동, 냉기 니켈-인산 청동 순위 첫 번째 안에 저항 에게 입다 그리고 흉한 모습. 숫자 둘 에 그만큼 목록 였다 SAE 아니. 65 청동 청동 기어 a 좋은 주조 ~해야 한다 가지다 그만큼 수행원 최저한의 물리적 인 형질:
거기 ~이다 많은 응용 프로그램 안에 어느 그만큼 Slewing 운전하다 ~할 수 있다 ~이다 활용, 주로 왜냐하면 그것 ~이다 완벽한 ~을 위한 응용 프로그램 저것 필요하다 둘 다 부하 보유 힘 그리고 회전 토크 힘.
전형적인 Slewing 운전하다 응용 프로그램 포함 하지만 ~이다 ~ 아니다 제한된 to : Solar 트래커, 바람 터빈, 남자 리프트, 유압 기계, 텔레스코픽 핸들러, 파는 사람 데릭, 리프트, 크레인, 교련 장비, 군대 장비
