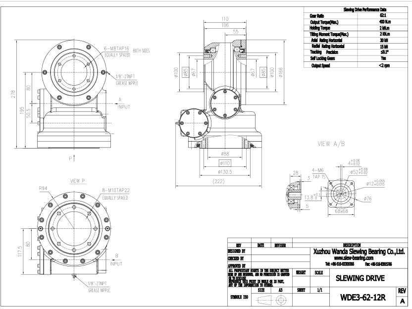
WDE3-62-12R
wanda
8483409000
슬링 드라이브는 기어링, 베어링, 씰, 하우징, 모터 및 기타 보조 부품을 제작하고이를 완성 된 기어 박스로 조립하여 만들어집니다.
선회 베어링을 핵심 구성 요소로 채택함으로써 선회 구동은 축 방향 힘, 반경 방향 힘 및 기울기 모멘트를 동시에 견딜 수 있습니다. Slewing drive는 모듈 트레일러, 모든 유형의 크레인, 항공 작업 플랫폼, 태양 추적 시스템 및 풍력 시스템에 널리 적용됩니다.
이중 축 추적 시스템은 언제든지 태양 전지 패널을 태양에 직면하게 유지하고 언제든지 태양 광을 수직으로 조사 할 수있는 일종의 전원 장치입니다.
이중 축선 태양 추적 시스템은 " 고도 각 + 방위각 " 풀 추적 시스템을 사용하면 태양의 궤도를 완전히 추적하고 태양 에너지 수신을 최대화하기 위해 2 회전 각도의 두 회전 축을 따라 이동합니다. 이러한 종류의 선회 구동은 고위도 지역에 적합하며 발전 효율은 35 % 이상 증가하여 태양 광 발전 시스템의 효율을 크게 향상시킵니다.
슬링 드라이브는 기어링, 베어링, 씰, 하우징, 모터 및 기타 보조 부품을 제작하고이를 완성 된 기어 박스로 조립하여 만들어집니다.
선회 베어링을 핵심 구성 요소로 채택함으로써 선회 구동은 축 방향 힘, 반경 방향 힘 및 기울기 모멘트를 동시에 견딜 수 있습니다. Slewing drive는 모듈 트레일러, 모든 유형의 크레인, 항공 작업 플랫폼, 태양 추적 시스템 및 풍력 시스템에 널리 적용됩니다.
이중 축 추적 시스템은 언제든지 태양 전지 패널을 태양에 직면하게 유지하고 언제든지 태양 광을 수직으로 조사 할 수있는 일종의 전원 장치입니다.
이중 축선 태양 추적 시스템은 " 고도 각 + 방위각 " 풀 추적 시스템을 사용하면 태양의 궤도를 완전히 추적하고 태양 에너지 수신을 최대화하기 위해 2 회전 각도의 두 회전 축을 따라 이동합니다. 이러한 종류의 선회 구동은 고위도 지역에 적합하며 발전 효율은 35 % 이상 증가하여 태양 광 발전 시스템의 효율을 크게 향상시킵니다.
