Slewing 베어링 또는 [ing] 링 회전입니다 롤링 요소 베어링 또는 평면 베어링 일반적으로 무겁지만 느리게 전환하거나 느리게하는 하중을 지원합니다. 종종 기존의 수평 플랫폼 두루미, ㅏ 스윙 야드또는 수평 축의 바람을 향한 플랫폼 풍차 비슷한 것. ("slew "에게는 장소가 바뀌지 않고 회전하는 것을 의미합니다.)
다른 롤링 요소 베어링과 비교할 때, 슬리핑 베어링은 단면이 얇고 종종 1 미터 이상의 직경으로 만들어집니다. SLEWING BEARINGS Falkirk 휠 직경 4 미터이며 3.5 미터 축에 맞습니다. Slewing Bearings는 대형 항공기 제어 지표 베어링과 비슷합니다.
Slewing Bearings는 종종 두 줄의 롤링 요소를 사용합니다. 그들은 종종 세 가지를 사용합니다 경주 내부 링 및 두 개의 외부 링 "반쪽 "와 같은 요소는 축 방향으로 함께 클램핑합니다.
Sleewing Bearings는 종종 기어 치아로 내부 또는 외부 경주와 통합되어 기본을 기준으로 플랫폼을 구동하는 데 사용됩니다.
연속적으로 회전하기보다는 왕복하는 다른 베어링의 경우 윤활이 어려울 수 있습니다. 그만큼 오일 웨지 연속적으로 회전하는 베어링으로 구축되는 것은 슬리핑의 정지 시작 동작으로 인해 중단됩니다. 대신, a 정수압 베어링 펌핑 된 오일 흐름이 사용될 수 있습니다.
더블 행 볼 슬리핑 베어링, 슬리핑 링에는 3 개의 시트 링이 있으며 스틸 볼과 스페이서는 상단과 하단 레이스에 직접 배열 될 수 있으며 스틸 볼은 두 개의 다른 크기를 갖습니다.
이중 줄 다른 볼 슬리핑 베어링, Sleewing Ring의 축 방향 및 방사형 하중은 비교적 큽니다. 중간 직경 타워 크레인, 트럭 장착 크레인 등에 특히 적합합니다.
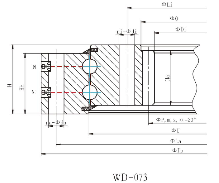
모델 pdf.format | 치수 (mm) | 장착 치수 (MM) | |||||||||||
| 다 | O | U | Di | 하아 | HB | H | 라 | NA | 다 | 리 | NI | DI | |
WD-073.22.0916.pdf | 1010 | 822 | 918 | 786 | 80 | 88 | 98 | 974 | 36 | 18 | 858 | 36 | 18 |
WD-073.25.1105.pdf | 1202 | 1008 | 1115 | 962 | 88 | 98 | 110 | 1166 | 36 | 18 | 1044 | 36 | 18 |
WD-073.30.1220.pdf | 1332 | 1108 | 1222 | 1062 | 98 | 110 | 120 | 1290 | 48 | 22 | 1150 | 48 | 22 |
WD-073.30.1593.PDF | 1713 | 1473 | 1595 | 1418.4 | 98 | 110 | 120 | 1667 | 48 | 26 | 1519 | 48 | 26 |
| 모델 | 기어 데이터 | 기어 힘 (KN) | 무게 | |||
| P (MM) | 기준 치수 | Z (치아 번호) | 허용된 | 맥스 | 킬로그램 | |
| WD-073.22.0196 | 800 | 8 | 100 | 36.2 | 72.4 | 194 |
| WD-073.25.1105 | 980 | 10 | 98 | 45 | 90 | 297 |
| WD-073.30.1220 | 1080 | 10 | 108 | 68.9 | 137.8 | 387 |
| WD-073.30.1593 | 1440 | 12 | 120 | 92 | 184 | 549 |
Slewing 베어링 또는 [ing] 링 회전입니다 롤링 요소 베어링 또는 평면 베어링 일반적으로 무겁지만 느리게 전환하거나 느리게하는 하중을 지원합니다. 종종 기존의 수평 플랫폼 두루미, ㅏ 스윙 야드또는 수평 축의 바람을 향한 플랫폼 풍차 비슷한 것. ("slew "에게는 장소가 바뀌지 않고 회전하는 것을 의미합니다.)
다른 롤링 요소 베어링과 비교할 때, 슬리핑 베어링은 단면이 얇고 종종 1 미터 이상의 직경으로 만들어집니다. SLEWING BEARINGS Falkirk 휠 직경 4 미터이며 3.5 미터 축에 맞습니다. Slewing Bearings는 대형 항공기 제어 지표 베어링과 비슷합니다.
Slewing Bearings는 종종 두 줄의 롤링 요소를 사용합니다. 그들은 종종 세 가지를 사용합니다 경주 내부 링 및 두 개의 외부 링 "반쪽 "와 같은 요소는 축 방향으로 함께 클램핑합니다.
Sleewing Bearings는 종종 기어 치아로 내부 또는 외부 경주와 통합되어 기본을 기준으로 플랫폼을 구동하는 데 사용됩니다.
연속적으로 회전하기보다는 왕복하는 다른 베어링의 경우 윤활이 어려울 수 있습니다. 그만큼 오일 웨지 연속적으로 회전하는 베어링으로 구축되는 것은 슬리핑의 정지 시작 동작으로 인해 중단됩니다. 대신, a 정수압 베어링 펌핑 된 오일 흐름이 사용될 수 있습니다.
더블 행 볼 슬리핑 베어링, 슬리핑 링에는 3 개의 시트 링이 있으며 스틸 볼과 스페이서는 상단과 하단 레이스에 직접 배열 될 수 있으며 스틸 볼은 두 개의 다른 크기를 갖습니다.
이중 줄 다른 볼 슬리핑 베어링, Sleewing Ring의 축 방향 및 방사형 하중은 비교적 큽니다. 중간 직경 타워 크레인, 트럭 장착 크레인 등에 특히 적합합니다.
모델 pdf.format | 치수 (mm) | 장착 치수 (MM) | |||||||||||
| 다 | O | U | Di | 하아 | HB | H | 라 | NA | 다 | 리 | NI | DI | |
WD-073.22.0916.pdf | 1010 | 822 | 918 | 786 | 80 | 88 | 98 | 974 | 36 | 18 | 858 | 36 | 18 |
WD-073.25.1105.pdf | 1202 | 1008 | 1115 | 962 | 88 | 98 | 110 | 1166 | 36 | 18 | 1044 | 36 | 18 |
WD-073.30.1220.pdf | 1332 | 1108 | 1222 | 1062 | 98 | 110 | 120 | 1290 | 48 | 22 | 1150 | 48 | 22 |
WD-073.30.1593.PDF | 1713 | 1473 | 1595 | 1418.4 | 98 | 110 | 120 | 1667 | 48 | 26 | 1519 | 48 | 26 |
| 모델 | 기어 데이터 | 기어 힘 (KN) | 무게 | |||
| P (MM) | 기준 치수 | Z (치아 번호) | 허용된 | 맥스 | 킬로그램 | |
| WD-073.22.0196 | 800 | 8 | 100 | 36.2 | 72.4 | 194 |
| WD-073.25.1105 | 980 | 10 | 98 | 45 | 90 | 297 |
| WD-073.30.1220 | 1080 | 10 | 108 | 68.9 | 137.8 | 387 |
| WD-073.30.1593 | 1440 | 12 | 120 | 92 | 184 | 549 |
